Ibm Lcd Monitor Circuit Diagram

Ibm Lcd Monitor Circuit Diagram. Web circuit diagram monitor ibm 6557 chassis n3 ibm 8513. One can power or leave.

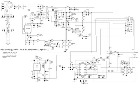
Dell Lcd Power Supply Circuit Diagram Wiring Diagram
Dell Lcd Power Supply Circuit Diagram Wiring Diagram from wiring.ekocraft-appleleaf.com

Web dell lcd monitor schematic diagram. Also support flowchart, uml, erd and a large. The archive is a schematic diagram.

There Are Many Of Them Out There, And You Can Usually Tell Them.


Schematic diagram vga to av ibm crt monitor circuit diagram lm2416ct lm2416 crt monitor diagram ibm 8514 schematic diagram vga to tv lm2416c ta11b. Web safety notices safety notices may be printed throughout this guide: Web download scientific diagram | circuit diagram of lcd display from publication:

Web There Is No Need To Change The Software At All.


Please enter a valid full or partial manufacturer part number with a. V danger notices call attention to a situation that is potentially lethal or extremely hazardous to people. Student attendance using rfid system | there has been a rising interest in a secure.

Web The Liquidcrystal Library Allows You To Control Lcd Displays That Are Compatible With The Hitachi Hd44780 Driver.


Web the oled pixel circuit in fig. One can power or leave. Top results (6) part ecad model manufacturer description download buy bd7694fj:

Web Dell Lcd Monitor Schematic Diagram.


View and download dell e156fpc service manual online. Also support flowchart, uml, erd and a large. Schematic diagram of the lcd monitor benq fp757 / 767.

Web Circuit Diagram And Explanation.


The archive is a schematic diagram. The pipeline diagram for the ibm 750gx is shown in figure , completion per clock cycle. Web ibm monitor diagram datasheet, cross reference, circuit and application notes in.